辅助线
高对比
页面放大
页面缩小
局部放大
语音指读
重置
关闭
提示:在页面中移动鼠标,此处将突出显示相应文字。
×
拼音
政务微信
武汉养老
无障碍
武汉市数据开放平台
智能问答
繁体
登录
注册
武汉市民政局
首页
政府信息公开
办事服务
互动交流
首页
政府信息公开
办事服务
互动交流
搜 索
当前位置:
首页
>
政府信息公开
>
法定主动公开内容
>
财政资金
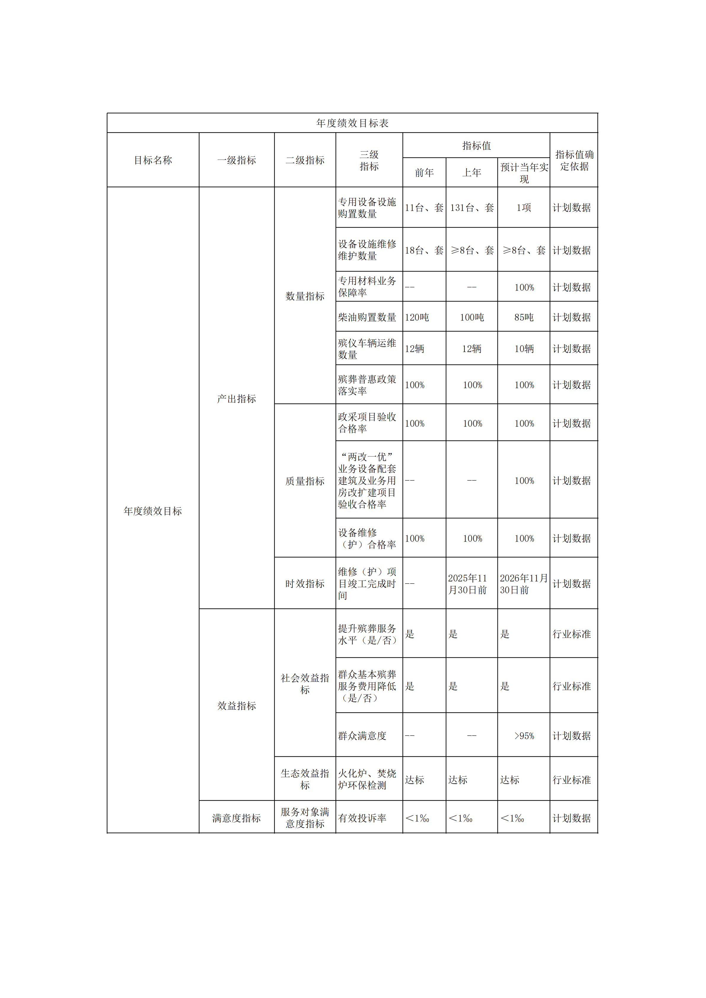
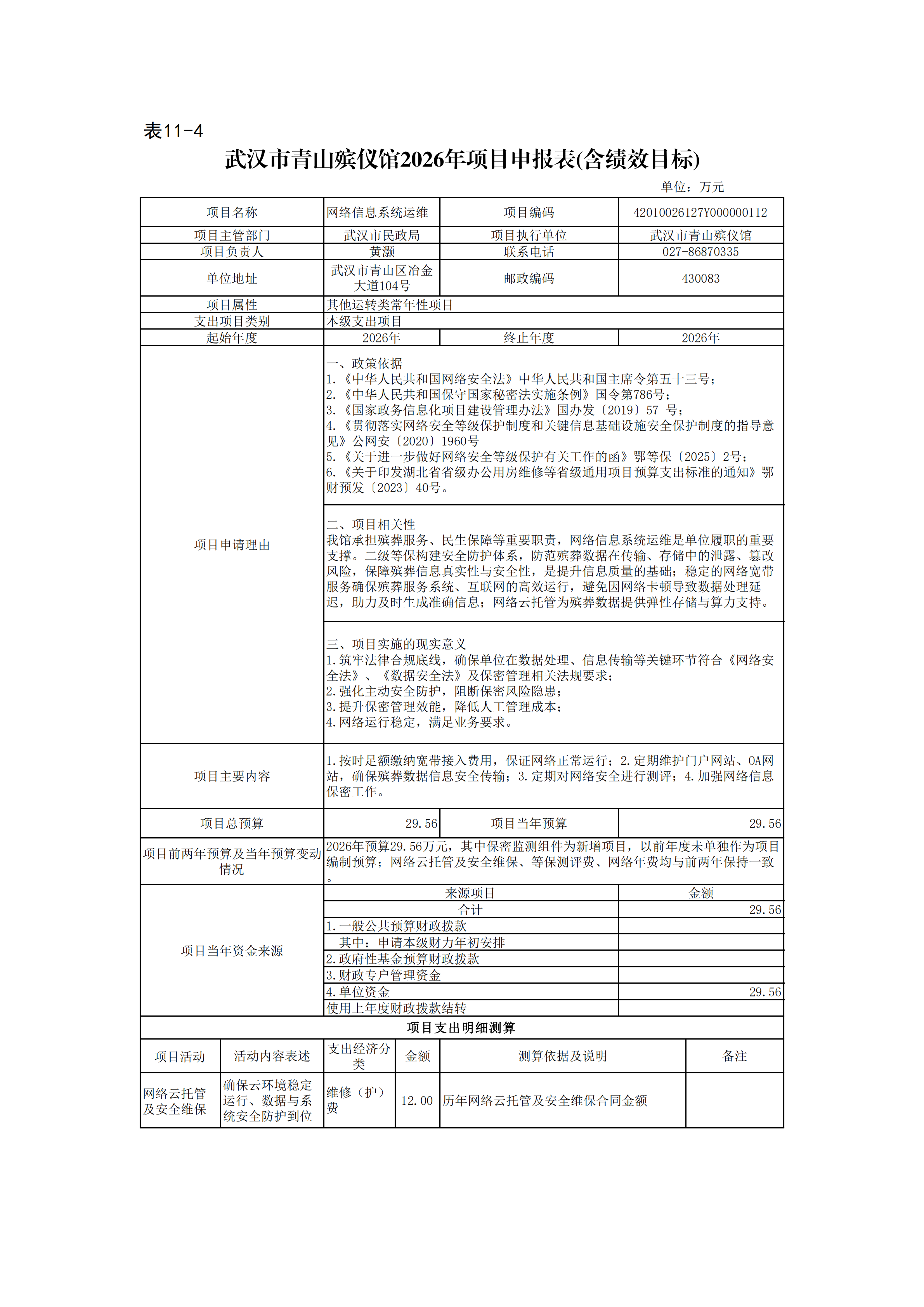
武汉市青山殡仪馆2026年预算
2026-02-28 10:00
|
武汉市民政局
索 引 号
010886343/2026-04658
发布日期
2026-02-28
发布机构
武汉市民政局
公开范围
面向社会
公开方式
主动公开
文 号
无
主题分类
其他
有 效 性
有效
附件:
扫一扫在手机上查看当前页面
已阅 0
打印
关闭
×
您访问的链接即将离开“
”门户网站 是否继续?
2733289
武汉市青山殡仪馆2026年预算
20
2026-02-28
38688
财政资金